Geze TS 1500 - Türschließer für obenliegende Türen mit V-Arm und Anschlag - Schließkraft 3-4 (EN1154)
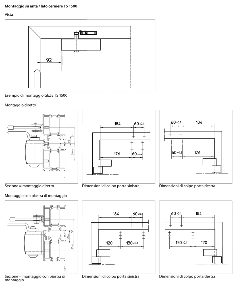
GEZE TS 1500 Türschließer mit V-Arm, Anschlag und einstellbarer Schließkraft , komplett mit Schrauben und Montageschablone (Montageplatte nicht enthalten).
Der Geze TS 1500 ist ein Türschließer für obenliegende Türen mit V-Arm und Feststellfunktion, der für ein kontrolliertes und sicheres Schließen der Tür sorgt. Dank seiner
einstellbaren Schließkraft (3–4) gemäß EN 1154 eignet er sich für Innen- und Außentüren bis zu einer Breite von 1100 mm.
Zuverlässige und
einfach zu installierende Lösung, komplett mit Schrauben und Montagevorlage.
Beschreibung GEZE TS 1500 Türschließer mit V-Arm
Die Schließkraft ist in zwei Größen einstellbar , einfach durch Umdrehen der Armklemme:
- „Reduzierte“ Schließkraft (Kraft 3 nach EN1154) für Türen bis zu 950 mm Breite;
- Hohe Schließkraft (Kraft 4 nach EN1154) für Türen bis zu 1100 mm Breite.
Einstellbare Schließgeschwindigkeit und hydraulischer Endhub (zwischen 70° und 150°).
ANWENDUNGSGEBIET:
- Für einflügelige Türen bis zu einer Breite von 1100 mm;
- Für rechts und links öffnende Türen ohne jegliche Modifikation;
- Möglichkeit der traditionellen Montage, an der Tür, oder umgekehrt.
